Napište nám email
produkty
Regulátor tlaku Airtac Type GR
  • Regulátor tlaku Airtac Type GRRegulátor tlaku Airtac Type GR

Regulátor tlaku Airtac Type GR

Můžete si být jisti, že si koupíte regulátor tlaku Airtac typu GR z naší továrny a my vám nabídneme nejlepší poprodejní servis a včasné dodání.

Regulátor tlaku GR typu Airtac poskytuje stabilní a přesné řízení tlaku pro pneumatické systémy. Pneumatický regulátor OLK  GR s odolnou konstrukcí a snadným nastavením zajišťuje spolehlivý výkon v automatizačních zařízeních, pneumatickém nářadí, kompresorech a obecných průmyslových aplikacích. Kompatibilní s filtry, maznicemi a jednotkami FRL.

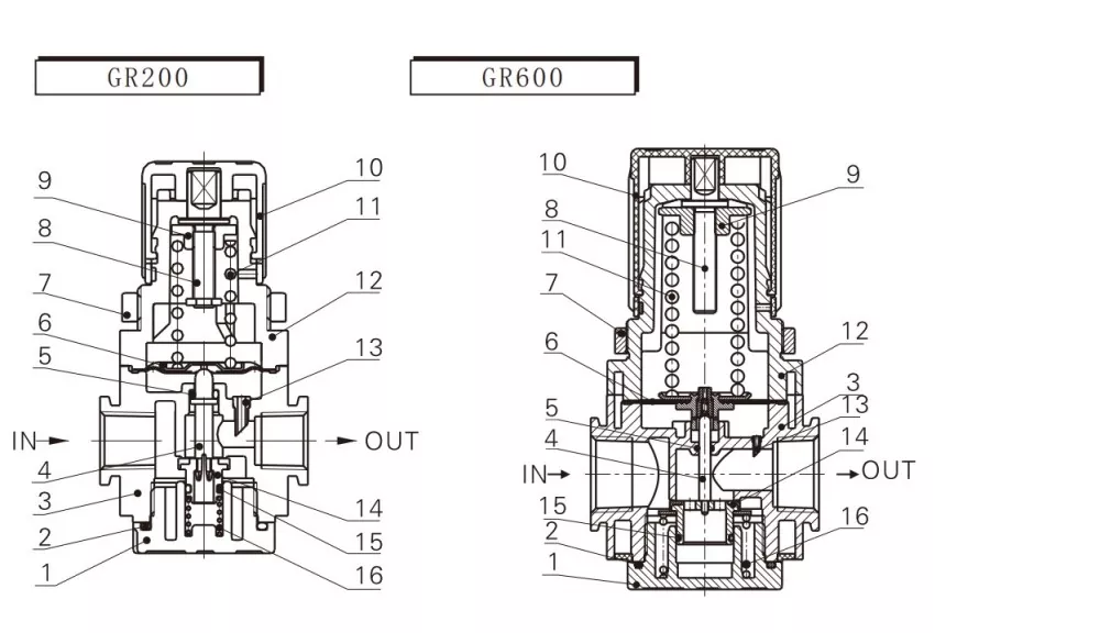
Regulátor tlaku Airtac typ GR Vlastnosti produktu:

·Vestavěný čtvercový manometr šetří instalační prostor (volitelný externí kruhový manometr).

·Uzamykací konstrukce zabraňuje náhodnému nastavení tlaku způsobenému vnější silou.

·Vyvážená struktura regulace tlaku zajišťuje stabilní tlak, malé kolísání a dobrý výkon.

·Lze nainstalovat na panel nebo pomocí volitelné montážní konzoly.

·Kromě standardního modelu je k dispozici také nízkotlaký typ (maximální nastavitelný tlak: 0,4 MPa)


Symbol regulátoru tlaku GR:

Objednací kód

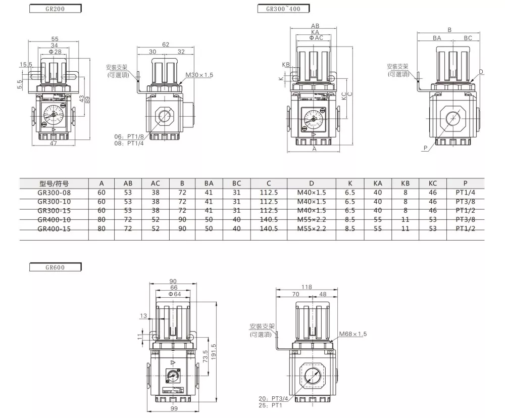
GR200

--

08

Model:

 

Velikost portu:

Regulátor tlaku řady GR200

 

06:PT:1/8

Krok 2: Otáčením ve směru hodinových ručiček zvýšíte tlak.

 

08:PT1/4

Regulátor tlaku řady GR400

 

10:PT3/8

Regulátor tlaku řady GR600

 

15:PT1/2

 

 

20:PT3/4

 

 

25:PT1


Model

GR200-06

GR200-08

GR300-08

GR300-10

GR300-15

GR400-10

GR400-15

GR600-20

GR600-25

Pracovní médium

VZDUCH

Velikost portu

PT1/8

PT1/4

PT1/4

PT3/4

PT1/2

PT3/4

PT1/2

PT3/4

PT1

Rozsah provozního tlaku

0,05–0,9 MPa (20–130 psi)

Rozsah pracovního tlaku

1,5 MPa (215 psi)

TEM.

-20--70 ℃

Hmotnost

160 g

350 g

720 g

1700 g


Jak nastavit regulátor tlaku Airtac typu GR

Na regulačním uzávěru je stupnice tlaku. Když je přiváděn vzduch, vytáhněte knoflík nahoru a otočte jím ve směru hodinových ručiček směrem ke značce „+“, abyste zvýšili tlak. Po nastavení stiskněte knoflík dolů, abyste jej zablokovali.


GR znamená regulátor vzduchu řady GR.

Krok 2: Otáčením ve směru hodinových ručiček zvýšíte tlak.

Krok 3: Po nastavení stiskněte knoflík dolů, aby se uzamkl.


Upozornění: Při připojování věnujte pozornost šipce označující směr proudění vzduchu. Obrácené připojení přívodu může způsobit únik vzduchu.




Nejčastější dotazy:

Co znamená GR?

GR znamená regulátor vzduchu řady GR.


Co znamená GFC?

GFC=GFR+GL  (regulátor filtru + lubrikátor)


Co znamená GC?

GC=GF+GR+GL (filtr + pneumatický regulátor + maznice)



Hot Tags: Regulátor tlaku Airtac Type GR, Čína, výrobce, dodavatel, továrna
Odeslat dotaz
Kontaktní informace
Vítejte na našem webu! V případě dotazů na naše produkty nebo ceník nám zanechte svůj e-mail a my se vám do 24 hodin ozveme.
E-mailem
cici@olkptc.com
mobilní, pohybliví
+86-13736765213
Adresa
Zhengtai Road, Xinguang Industrial Zone, Liushi, Yueqing, Wenzhou, Zhejiang, Čína.
X
Používáme cookies, abychom vám nabídli lepší zážitek z prohlížení, analyzovali návštěvnost webu a přizpůsobili obsah. Používáním tohoto webu souhlasíte s naším používáním souborů cookie. Zásady ochrany osobních údajů
Odmítnout Přijmout