Napište nám email
produkty
Rozdělovač elektromagnetického ventilu 2V025
  • Rozdělovač elektromagnetického ventilu 2V025Rozdělovač elektromagnetického ventilu 2V025
  • Rozdělovač elektromagnetického ventilu 2V025Rozdělovač elektromagnetického ventilu 2V025

Rozdělovač elektromagnetického ventilu 2V025

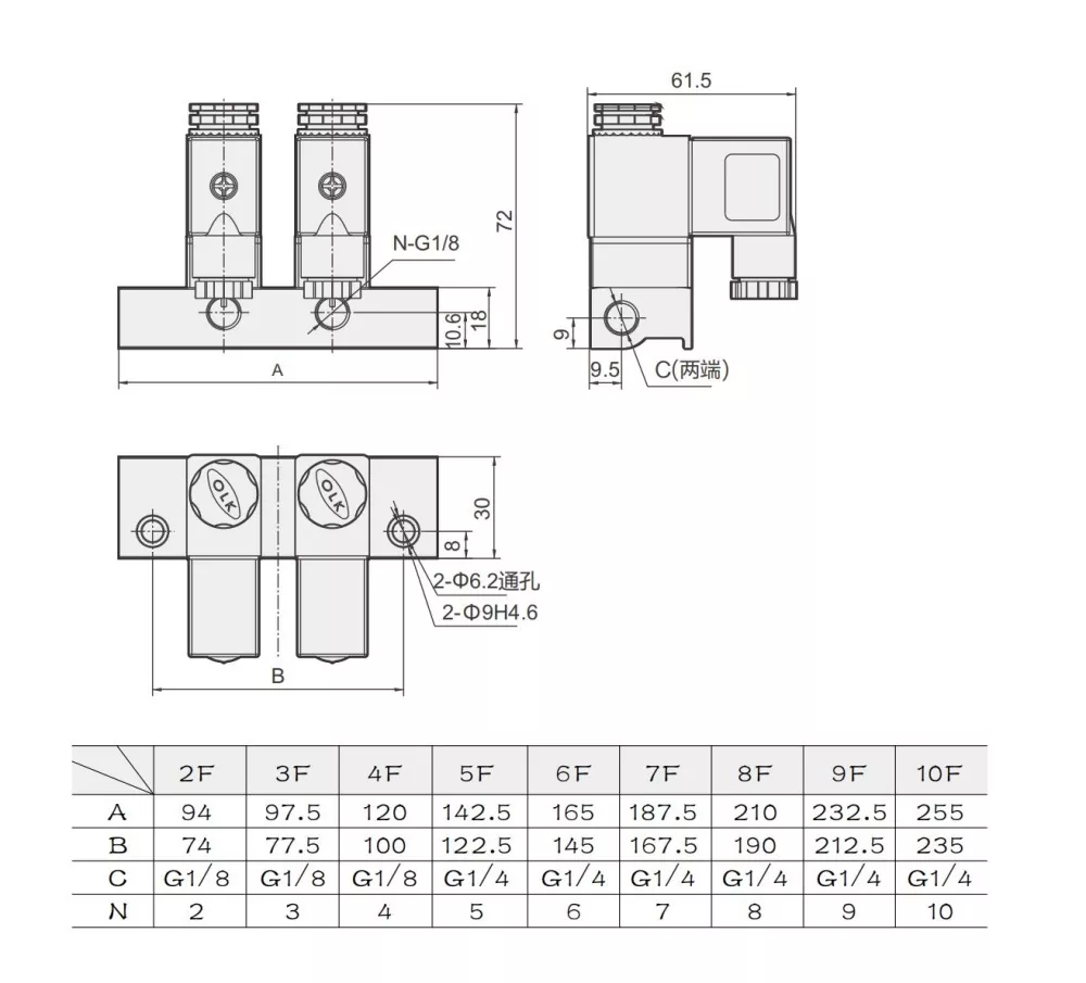
Dvoupolohový, dvoucestný přímočinný normálně uzavřený solenoidový ventil 2V025 lze připojit tak, aby vytvořil základnu ventilu podle požadavků aplikace s flexibilním rozšířením od 2 do 12 poloh. Toto vícepolohové rozdělovač elektromagnetického ventilu 2V025 má kompaktní a lehký design, ale nelze jej rozebrat pro individuální použití. Tělo ventilu je vyrobeno z vysoce kvalitní hliníkové slitiny a používá těsnící materiál NBR.

V závislosti na směru sání a výfuku lze rozdělovač elektromagnetického ventilu 2V025 rozdělit na přetlakové typy s jedním vstupem a více výstupy a podtlakové typy s více vstupy a jedním výstupem. Ve vakuových pumpách lze použít podtlak. Vzhledem k tomu, že pozitivní a negativní tlak působí opačným směrem, před zadáním objednávky se prosím poraďte s prodejním týmem OLK

2V025 Rozdělovač solenoidového ventilu Údaje o obecných parametrech:

Akce

přímé herectví

počet pozic

2-position 2-way

Počáteční stav

NE, NC

mazací

zbytečné

Rozsah pracovního tlaku MPa (psi)

0~0,8Mpa (0~114psi)

Zaručená tlaková odolnost

1,5 MPa (215 psi)

Standardní napětí

AC220V, AC110V, AC24V, DC24V, DC12V

Použijte rozsah napětí

AC:±15%DC:±10%

spotřeba energie

AC: 6VADC: 6W

úroveň ochrany

IP65 (DIN40050)

stupeň tepelné odolnosti

třída B

Typ připojení

Typ zásuvky DIN, typ zásuvky

Doba buzení

0,05 sekundy nebo méně

Tělo ventilu

Hliníková slitina

Nejčastější dotazy:

Jaký je rozdíl mezi 2V025-06 a 2V025-08?

Rozdíl mezi 2V025-06 a 2V025-08 je průměr portu. 06 = G1/8 a 08 = G1/4


Lze 2V025 zkombinovat a vytvořit rozdělovací ventil?

Až 10 ks solenoidového ventilu 2V025 může tvořit rozdělovací ventil.


Pro jaké scénáře je 2-cestný ventil 2V025 vhodný?

Dvoucestný dvoucestný ventil 2V025 je vhodný pro foukací pracovní scénáře, ale není vhodný pro pneumatické válce, protože nemá výfuk.


Lze elektromagnetický ventil 2V025 použít v prostředí s podtlakem?

Jistě, elektromagnetický ventil 2V025 s více vstupy vzduchu a jedním výstupem je vhodný pro použití s ​​vakuovou pumpou.


Je řídicí ventil kapaliny 2V025 normálně otevřený?

ANO, 2V025-06-NE: Vstup: G1/8, Výstup: M5

2V025-08-NO:Vstup:G1/4 , Výstup:M5

2cestné 2V025 rozdělovač elektromagnetického ventilu  Odpovídající příslušenství spojů


Hot Tags: 2V025 Rozdělovač solenoidového ventilu, Čína, Výrobce, Dodavatel, Továrna
Odeslat dotaz
Kontaktní informace
Vítejte na našem webu! V případě dotazů na naše produkty nebo ceník nám zanechte svůj e-mail a my se vám do 24 hodin ozveme.
E-mailem
cici@olkptc.com
mobilní, pohybliví
+86-13736765213
Adresa
Zhengtai Road, Xinguang Industrial Zone, Liushi, Yueqing, Wenzhou, Zhejiang, Čína.
X
Používáme cookies, abychom vám nabídli lepší zážitek z prohlížení, analyzovali návštěvnost webu a přizpůsobili obsah. Používáním tohoto webu souhlasíte s naším používáním souborů cookie. Zásady ochrany osobních údajů
Odmítnout Přijmout