Napište nám email
produkty
TAC pneumatický přepínač
  • TAC pneumatický přepínačTAC pneumatický přepínač

TAC pneumatický přepínač

Jako profesionální výroba by vám OLK rád poskytl pneumatický přepínač TAC. A OLK vám nabídne nejlepší služby po prodeji a včasné dodání.

Pneumatický přepínací ventil TAC (také známý jako spínací ventil) je přesnou přepínací složkou speciálně navrženou pro pneumatické systémy a kontrolu tekutin. Díky své jedinečné kontrolní struktuře typu přenosu dosahuje rychlého přepínání a přesné kontroly cest tekutin.

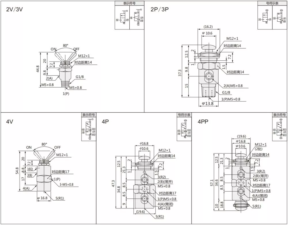
Přepínací ventil řady TAC má 2 Pozice 2 Way, 2 Pozice 3 Way a 2 Pozice 5 Way lze vybrat. Různé typ páky a dva typy vlákna: M5, G1/8.

Scénáře aplikací

Průmyslová automatizační zařízení, mechanické zpracování, zpracování stavebních materiálů, energii a těžba, potravinářské a nápojové průmysl, lékařské vybavení atd.

Funkce produktu

Je malá velikost, vyžaduje malý instalační prostor a je intuitivní pro provoz ručně, takže je vhodné pro scénáře, které vyžadují časté přepínání.

Symbol a obrys přepínače TAC

ODIRING Kód

Tac

2

__

2

P

 

 

 

 

 

TAC Série přepíná ventil

 

 

2: 2position 2 Way (M5)

P: Typ tlačítka push-pull

 

 

 

3: 2 Pozice 3 Way (M5)

V: Typ ruční páky

 

 

 

4: 2 Powition 5 Way (M5)

PP: Tlačítko dvojité push-pull

 

 

 

31: 2 Pozice 3 Way (G1/8)

 

 

 

 

41: 2 Powition 5 Way (G1/8)

 

 

Model

Velikost portu

 

Číslo
pozice

Efektivní  
Průřezová oblast

Rozsah tlaku

Pracovní tekutina

Okolní
Teplota

 

TAC-2V

Inlet = outlet = m5   

2 Pozice 2 Way

1,9 mm²

0,05 ~ 0,9ppa

Vzduch

0 ~ 60

TAC-2P

Inlet = outlet = m5   

2 Pozice 2 Way

1,9 mm²

TAC-3V

Inlet = outlet = m5   

2 Pozice 3 Way

1,9 mm²

TAC-3P

Inlet = outlet = m5   

2 Pozice 3 Way

1,9 mm²

TAC-4V

Inlet = outlet = m5   

2 Pozice 5 Way

1,9 mm²

TAC-4P

Inlet = outlet = m5   

2 Pozice 5 Way

1,9 mm²

4pp

G1/8

 

2 Pozice 5 Way

4,5 mm²

TAC2-31V

Vstup = outlet = výfuk = G1/8   

2 Pozice 3 Way

4,5 mm²

TAC2-31P

Vstup = outlet = výfuk = G1/8   

2 Pozice 3 Way

4,5 mm²

TAC2-41V

Inlet = Outlet = G1/8 Výfuk = M5

2 Pozice 5 Way

4,5 mm²

TAC2-41P

Inlet = Outlet = G1/8 Výfuk = M5

2 Pozice 5 Way

4,5 mm²

TAC2-41PP

Inlet = Outlet = G1/8 Výfuk = M5

2 Pozice 5 Way

4,5 mm²

FAQS:

Jaký je rozdíl mezi přepínacím ventilem a mechanickým ventilem?

Může být rozlišen přepínací ventil a mechanický ventil podle typu ovládacího typu: Přepínací ventil je typ držení páky, mechanický ventil je typ tlačítka push-pull nebo typ válce

 

Jaký je rozdíl mezi přepínacím ventilem a jinými ventily?

Přesná kontrola: Přepínací ventily dosahují regulace jemného toku prostřednictvím jádra kónického ventilu, které je vhodné pro přesné ovládání v potrubích malých průměrů, zatímco kulové ventily jsou vhodnější pro rychlé otevírání a uzavírání.

Hot Tags: TAC pneumatický přepínač, Čína, výrobce, dodavatel, továrna
Odeslat dotaz
Kontaktní informace
Vítejte na našem webu! V případě dotazů na naše produkty nebo ceník nám zanechte svůj e-mail a my se vám do 24 hodin ozveme.
E-mailem
cici@olkptc.com
mobilní, pohybliví
+86-13736765213
Adresa
Zhengtai Road, Xinguang Industrial Zone, Liushi, Yueqing, Wenzhou, Zhejiang, Čína.
X
Používáme cookies, abychom vám nabídli lepší zážitek z prohlížení, analyzovali návštěvnost webu a přizpůsobili obsah. Používáním tohoto webu souhlasíte s naším používáním souborů cookie. Zásady ochrany osobních údajů
Odmítnout Přijmout